Аналог транзистора

Компьютеры, программы, периферия, коммуникации, интернет, программирование и т.п. Ранее назывался Hard-n-Soft.
Сообщение
Автор
operator_123
Благодарил (а): 439 раз
Поблагодарили: 83 раза

№ 0 Сообщение operator_123 » 29 июн 2018 10:19

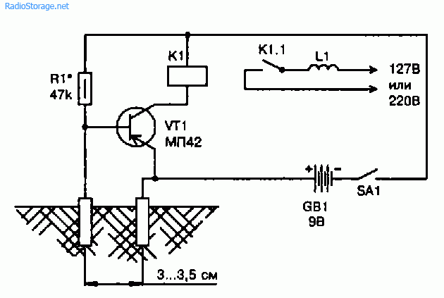
Дано: Принципиальная схема сигнализатора полива растений на даче. Мне нужна немного для других целей - для детектирования отсутствия воды.
Схема древняя. Чем распространенным современным заменить древний транзистор? Что нужно для питания от 12-14В? Сопротивление добавить?
Не очень шарю в электронике - не пинайте сильно.

Изображение

ХЗ
Экономный
Благодарил (а): 158 раз
Поблагодарили: 347 раз

№ 1 Сообщение ХЗ » 29 июн 2018 18:23

Н аполевике собери
К примеру
https://www.youtube.com/watch?v=fzeaI7xRrNw 

Думаю любой с материнки подойдет N типа. Ну вместо зуммера релюху воткнешь.

Gray Fox
Благодарил (а): 8 раз
Поблагодарили: 72 раза

№ 2 Сообщение Gray Fox » 30 июн 2018 11:36

operator_123 писал(а) ↑ 29 июн 2018 10:19: Дано: Принципиальная схема сигнализатора полива растений на даче. Мне нужна немного для других целей - для детектирования отсутствия воды.
Схема древняя. Чем распространенным современным заменить древний транзистор? Что нужно для питания от 12-14В? Сопротивление добавить?
Не очень шарю в электронике - не пинайте сильно.

Изображение
например кт313 (или 2т313) с любой буквой, или импортные 2N2906, 2N4123 и тп. Для питания от 12 В нужна релюха соответствующая и возможно R1 чутка увеличить. Вообще из схемы непонятно, что за релюха и какой ток она потребляет. Главное чтоб напряжение включения релюхи совпадало с напряжением питания и потребляемый ей ток был меньше максимально допустимого тока коллектора транзистора.
И, да чуть не забыл, параллельно реле обязательно включить обратно смещенный диод например кд509

operator_123
Благодарил (а): 439 раз
Поблагодарили: 83 раза

№ 3 Сообщение operator_123 » 01 июл 2018 22:01

Вместо реле, наверное, будет светодиод на 12 В.

operator_123
Благодарил (а): 439 раз
Поблагодарили: 83 раза

№ 4 Сообщение operator_123 » 01 июл 2018 22:02

X3 писал(а) ↑ 29 июн 2018 18:23:Н аполевике собери
К примеру
https://www.youtube.com/watch?v=fzeaI7xRrNw 

Думаю любой с материнки подойдет N типа. Ну вместо зуммера релюху воткнешь.
Мне наоборот надо - чтоб сигнализировало, когда нет воды (охлаждение).

Gray Fox
Благодарил (а): 8 раз
Поблагодарили: 72 раза

№ 5 Сообщение Gray Fox » 01 июл 2018 22:34

operator_123 писал(а) ↑ 01 июл 2018 22:01: Вместо реле, наверное, будет светодиод на 12 В.
Тогда любой маломощный pnp. И диод не надо. Вместо Р1 можно поставить цепочку из подстроечного и постоянного резисторов

operator_123
Благодарил (а): 439 раз
Поблагодарили: 83 раза

№ 6 Сообщение operator_123 » 01 июл 2018 23:49

Gray Fox писал(а) ↑ 01 июл 2018 22:34:
operator_123 писал(а) ↑ 01 июл 2018 22:01: Вместо реле, наверное, будет светодиод на 12 В.
Тогда любой маломощный pnp. И диод не надо. Вместо Р1 можно поставить цепочку из подстроечного и постоянного резисторов

А из диодов (зумеров) какие на 12 В?

Вернуться в «Компьютерный форум»

Кто сейчас на конференции

Сейчас этот форум просматривают: нет зарегистрированных пользователей и 0 гостей